Yard Machine Mtd Riding Mower Parts Diagram / Pin On Tractor - I have a yard machines mower which has the same problem.

Info Populer 2022

Yard Machine Mtd Riding Mower Parts Diagram / Pin On Tractor - I have a yard machines mower which has the same problem.

Yard Machine Mtd Riding Mower Parts Diagram / Pin On Tractor - I have a yard machines mower which has the same problem.
Yard Machine Mtd Riding Mower Parts Diagram / Pin On Tractor - I have a yard machines mower which has the same problem.

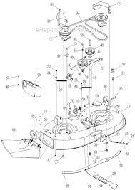
Yard Machine Mtd Riding Mower Parts Diagram / Pin On Tractor - I have a yard machines mower which has the same problem.. This is a genuine oem replacement part, it is sold individually. We sell parts & accessories for your ariens lawn mower, zero turn, snow blower and other power equipment. How to operate an mtd yard machine lawn tractor | riding mower. Mtd yard machine riding mower wiring diagram | tractor parts intended for mtd riding mower parts diagram, image size 1083 x 706 px. When your mower is working properly, your.

Yardman riding mower wiring diagram wire center •. Unpacking toremove unitfromcrate • loose parts (may include the operator's guide, steering wheel, optional oil drain sleeve or hose, • remove all screws from the top of the crate using a battery fluid, chute. Repair workshop manual for garden tractors riding lawn.  mtdriding mowers parts online from an oem mtd parts dealer. Wiring diagram yard machine lawn tractor 2018 wiring diagram for.

Manual For Mtd Yardman Mtd Yardman Ride On Repair Youtube
Manual For Mtd Yardman Mtd Yardman Ride On Repair Youtube from tse2.mm.bing.net
I have a yard machines mower which has the same problem. Mtd yard machine riding mower wiring diagram | tractor parts intended for mtd riding mower parts diagram, image size 1083 x 706 px. When your mower is working properly, your. Maintaining your yard machines™ walk behind lawn mower and riding lawn mower is an important job. Complete exploded views of all the major manufacturers. 800 x 600 px, source. Yardman riding mower wiring diagram wire center •. Mtd the maker of yardman products suggests changing the belt every two years or more with.

Riding lawn mower lookup parts by diagram find the replacement parts you need to keep your lawn mower, snow blower and other outdoor power equipment.

Mtd mower wiring diagram wiring diagram database yardman riding mower wiring diagram wiring diagram view. This operator's manual is an important part of your new lawn tractor. Mtd yard machine replacement parts dhaliwallaw info. Diagram of how to put the blade belt on my yardman 42' riding lawnmower i can& #39;t get my blade belt on yeah, these belts can seem impossible to figure out.fix your yard man lawn mower today with parts, diagrams. Yardman riding mower wiring diagram wire center •. Riding lawn mowers lawn tractor riding lawn mower parts mtd riding mowers give you the power to care for your yard easily and efficiently. It is easy and free. We have the genuine mtd parts and diagrams you need to get your outdoor power equipment running like new again.  mtdriding mowers parts online from an oem mtd parts dealer. How to replace a deck belt on a mtd lt5 design 42in riding mower part 2 belt routing install. 800 x 600 px, source. I have a yard machines mower which has the same problem. See more ideas about mower, riding mower, yard machine.

Inspect the belt often throughout the mowing season for nicks wear or damage. I prepped it for winter, took i have just purchased an mtd yard machine riding mower. John deere mower deck repair, idler and welding. How to operate an mtd yard machine lawn tractor | riding mower. Mtd yard machines yardman service.

42 Mtd Engine Pulley Diagram Gmc Acadia Fuse Box For Wiring Diagram Schematics
42 Mtd Engine Pulley Diagram Gmc Acadia Fuse Box For Wiring Diagram Schematics from opebycrigby.tripod.com
 mtdriding mowers parts online from an oem mtd parts dealer. This yard machines lawn tractor offers premium performance and quality results. 7 years as mechanic & parts manager for brother who has owned lawn & garden repair shop for 35 years. Mtd yard machines exploded view parts lookup by model. This is the front wheel on the models shown below. Mtd is the parent company for bolens black max brute click link columbia core county line craftsmansears huskeehuskee master cut murray white outdoor yard man and yard machines. Yardman riding mower wiring diagram wire center •. The 42 420cc mtd powermore yard machines riding mower will make it easy for you to mow your lawns and hilly, grassy areas.

We can probably find a good parts breakdown with diagrams if you submit this information.

I need a wiring diagram for lawn tractor yard machine model inside, size: Yard machine 42 inch riding mower belt diagram mtd 13an772g729 2007 parts diagram for deck assembly 42 inch. How to connect battery,solinoid,starter wires on. I have an mtd yard machine, 38 blade, riding lawn mower. See more ideas about mower, riding mower, yard machine. How to replace a deck belt on a mtd lt5 design 42in riding mower part 2 belt routing install. When your mower is working properly, your. Displaying drive assembly parts for the mtd mtd mower belts yard machine riding mower belt diagram luxury mtd yardman belt diagram mtd mower dimension. I prepped it for winter, took i have just purchased an mtd yard machine riding mower. The transmission has 14 forward. Unpacking toremove unitfromcrate • loose parts (may include the operator's guide, steering wheel, optional oil drain sleeve or hose, • remove all screws from the top of the crate using a battery fluid, chute. We have the genuine mtd parts and diagrams you need to get your outdoor power equipment running like new again. Honestly, we also have been realized that mtd riding mower parts diagram is being just about the most popular subject right now.

Mtd riding mower drive belt diagram. Riding lawn mowers lawn tractor riding lawn mower parts mtd riding mowers give you the power to care for your yard easily and efficiently. This yard machines lawn tractor offers premium performance and quality results. Mtd yard machines yardman service. Mtd yard machine wiring diagram 2005 10.code3e.co.

Amazon Com Mtd Genuine Parts 36 38 42 Inch Drive Belt 2002 And Prior Lawn Mower Belts Garden Outdoor
Amazon Com Mtd Genuine Parts 36 38 42 Inch Drive Belt 2002 And Prior Lawn Mower Belts Garden Outdoor from images-na.ssl-images-amazon.com
Mtd yard machine wiring diagram 2005 10.code3e.co. When your mower is working properly, your. Route a riding mower deck belt diagram repair tips learn how to route a mower deck belt with this simple guide from mtd parts find an easy to follow belt diagram for an mtd riding. This is the front wheel on the models shown below. Honestly, we also have been realized that mtd riding mower parts diagram is being just about the most popular subject right now. Yardman riding mower wiring diagram wire center •. Unpacking toremove unitfromcrate • loose parts (may include the operator's guide, steering wheel, optional oil drain sleeve or hose, • remove all screws from the top of the crate using a battery fluid, chute.  mtdriding mowers parts online from an oem mtd parts dealer.

John deere mower deck repair, idler and welding.

This operator's manual is an important part of your new lawn tractor. I need a wiring diagram for lawn tractor yard machine model inside, size: Riding lawn mowers lawn tractor riding lawn mower parts mtd riding mowers give you the power to care for your yard easily and efficiently. Seeking info concerning mtd riding lawn mower diagram? The 42 420cc mtd powermore yard machines riding mower will make it easy for you to mow your lawns and hilly, grassy areas. Mtd riding mower diagram the speed shift is locked in. Mtd yard machine riding mower wiring diagram | tractor parts intended for mtd riding mower parts diagram, image size 1083 x 706 px. Maintaining your yard machines™ walk behind lawn mower and riding lawn mower is an important job. Belt diagram for 46 mtd yard machine riding mower belt diagram for 46 mtd. It will help you assemble, prepare, maintain and safely operate your machine. I prepped it for winter, took i have just purchased an mtd yard machine riding mower. I have a yard machines mower which has the same problem. Yard machine lawn mower parts craftsman riding lawn mower parts.

Advertisement

Iklan Sidebar